제품 요약
| RVE35 시리즈 태양광 펌프 VFD | | |
| | DC/AC 입력 | |
| | 세련된 디자인 | |
| | MPPT | |
| 파라메트릭 | ||
| 모델 | RVE35-T3-18GB ~ RVE35-T3-22GB |
| 전압 | 350VDC~800/900VDC 입력, 3PH 380VAC~440VAC 입력 | |
| P 정격(kW) | 18/22 | |
| 정격전류(A) | 60년 38월 45일 | |
| MPPT Vmp/Voc | 540/660 | |
| 치수(mm) | 383*180*228 | |
응용 배경
| 최근 몇 년 동안 전 세계적으로 "식량 문제"와 "에너지 문제"가 심각해짐에 따라 태양열 워터 펌프는 효과적인 경작지의 생산량을 늘리고 화석 에너지를 청정 에너지로 대체하는 문제를 해결하는 효과적인 산업 통합 제품으로 점차 호평을 받고 있습니다. 그 결과 태양광 산업이 농업용수 보존, 사막 관리, 가정용 수자원 이용, 도시 수경 등 전통 산업과 결합하여 발전하는 신흥 경제 모델이 탄생했습니다. |
제품특징
• 빠른 응답 속도와 안정적인 작동을 갖춘 최대 전력점 추적(MPPT)
• 공회전(부하 상태) 보호
• 모터 최대 전류 보호
• 입력전원 보호
• 낮은 정지 주파수 보호
• PQ(동력/유량) 성능 곡선을 통해 펌프의 유량 출력을 계산할 수 있습니다.
• 완전 자동 작동, 데이터 저장 및 보호 기능을 위한 디지털 제어
• 주회로용 지능형 전력 모듈(IPM)
• LED 디스플레이 작동 패널 및 원격 제어 지원
• 듀얼 모드 AC 및 DC 전원 공급 장치 입력 가능
• 저수위 프로브 센서 및 수위 조절 기능
• 사용 주변 온도: -10~50˚C.
| 세련된 디자인 설치면적 50% 감소 볼륨 30% 감소 | |
| | 전자동 3중 페인트 코팅 기계는 회로 기판의 보호 층을 두껍게 하는 데 사용되어 바람 먼지, 부식성 가스 및 습한 공기로 인한 회로 기판의 손상을 효과적으로 방지합니다. |
| | 정격 부하에서 제품의 다양한 전기 표시기 및 보호 기능을 테스트하려면 완전 자동 감지 장비를 채택하십시오. |
| | 모든 완성된 제품은 60도의 고온에서 48시간 동안 하중을 가하여 숙성시킨 후, 모든 전기 지시계를 하중을 가하여 테스트하여 제품 고장률을 줄였습니다. |
모델 명명법
일반 유형 S2 시리즈:
Vmp 310VDC 또는 220VAC 입력, 1/3상 0-220VAC 출력
| 모델 | 정격 전류(A) | 출력 전압( VAC ) | 파워(kW) 펌프에 적용 가능 | 드라이브 크기의 외부 H*W*D (mm) | MPPT Vmp/Voc |
| RVE35-S2-0R7G | 4 | 0-220 | 0.75 | 187*86*152 | 310/372 |
| RVE35-S2-1R5G | 7 | 0-220 | 1.5 | ||
| RVE35-S2-2R2G | 10 | 0-220 | 2.2 | ||
| RVE35-S2-3G | 13 | 0-220 | 3 | 265*105*164 | |
| RVE35-S2-4G | 16 | 0-220 | 4 |
일반형 T3 시리즈:
Vmp540~650VDC 또는 380~460VAC 입력, 3상 0-380/460VAC 출력
| 모델 | 정격 전류(A) | 출력 전압( VAC ) | 파워(kW) 펌프에 적용 가능 | 드라이브 크기의 외부 H*W*D (mm) | MPPT Vmp/Voc |
| RVE35-T3-0R7GB | 2.5/3.7 | 0-380/440 | 0.75 | 187*86*152 | 540/660 |
| RVE35-T3-1R5GB | 3.7/5 | 0-380/440 | 1.5 | ||
| RVE35-T3-2R2GB | 5/10 | 0-380/440 | 2.2 | ||
| RVE35-T3-4GB | 10/13 | 0-380/440 | 4.0 | ||
| RVE35-T3-5R5GB | 13/16 | 0-380/440 | 5.5 | 265*105*164 | |
| RVE35-T3-7R5GB(플라스틱 케이스) | 16/25 | 0-380/440 | 7.5 | ||
| RVE35-T3-7R5GB(철케이스) | 16/25 | 0-380/440 | 7.5 | 333*150*216 | |
| RVE35-T3-11GB | 25/32 | 0-380/440 | 11 | ||
| RVE35-T3-15GB | 32/38 | 0-380/440 | 15 | ||
| RVE35-T3-18GB | 38/45 | 0-380/440 | 18 | 383*180*228 | |
| RVE35-T3-22GB | 45/60 | 0-380/440 | 22 | ||
| RVE35-T3-30GB | 60/75 | 0-380/440 | 30 | 435*175*265 | |
| RVE35-T3-37GB | 75/90 | 0-380/440 | 37 | ||
| RVE35-T3-45G | 90/110 | 0-380/440 | 45 | 670*265*358 | |
| RVE35-T3-55G | 110/150 | 0-380/440 | 55 | ||
| RVE35-T3-75G | 150/170 | 0-380/440 | 75 | ||
| RVE35-T3-90G | 170/210 | 0-380/440 | 90 | 845*305*358 | |
| RVE35-T3-110G | 210A/250 | 0-380/440 | 110 | ||
| RVE35-T3-132G | 250A/300 | 0-380/440 | 132 | ||
| RVE35-T3-160G | 300A/340 | 0-380/440 | 160 | 788*500*360 | |
| RVE35-T3-185G | 340/380 | 0-380/440 | 185 | ||
| RVE35-T3-200G | 380/415 | 0-380/440 | 200 | 900*540*358 | |
| RVE35-T3-220G | 415/470 | 0-380/440 | 220 | ||
| RVE35-T3-250G | 470/520 | 0-380/440 | 250 | ||
| RVE35-T3-280G | 520/600 | 0-380/440 | 280 | 1035*620*400 | |
| RVE35-T3-315G | 600/680 | 0-380/440 | 315 | ||
| RVE35-T3-355G | 680/750 | 0-380/440 | 355 | 1290*780*410 | |
| RVE35-T3-400G | 750/810 | 0-380/440 | 400 |
우수한 성능
| | 장비 정확도를 향상시키는 고성능 벡터 제어 |
| 벡터 제어 시 최대 출력 주파수는 1500Hz에 이르며, 이는 10배 약한 자기 속도 조절 범위 내에서 고정밀 속도 출력을 달성할 수 있습니다. | |
| | |
| | 동기 모터를 위한 완벽한 드라이브 |
| 100% 정격 부하에서 500Hz로 개방 루프 벡터 제어 모드에서 동기 모터의 전류 파형. | |
| | |
| | 안정적인 방열 설계 |
| 독립적인 이중 공기 덕트 설계 기술은 용량 감소 없이 50℃ 링 온도에서 태양광 펌프 드라이브의 사용을 실현할 수 있습니다. |
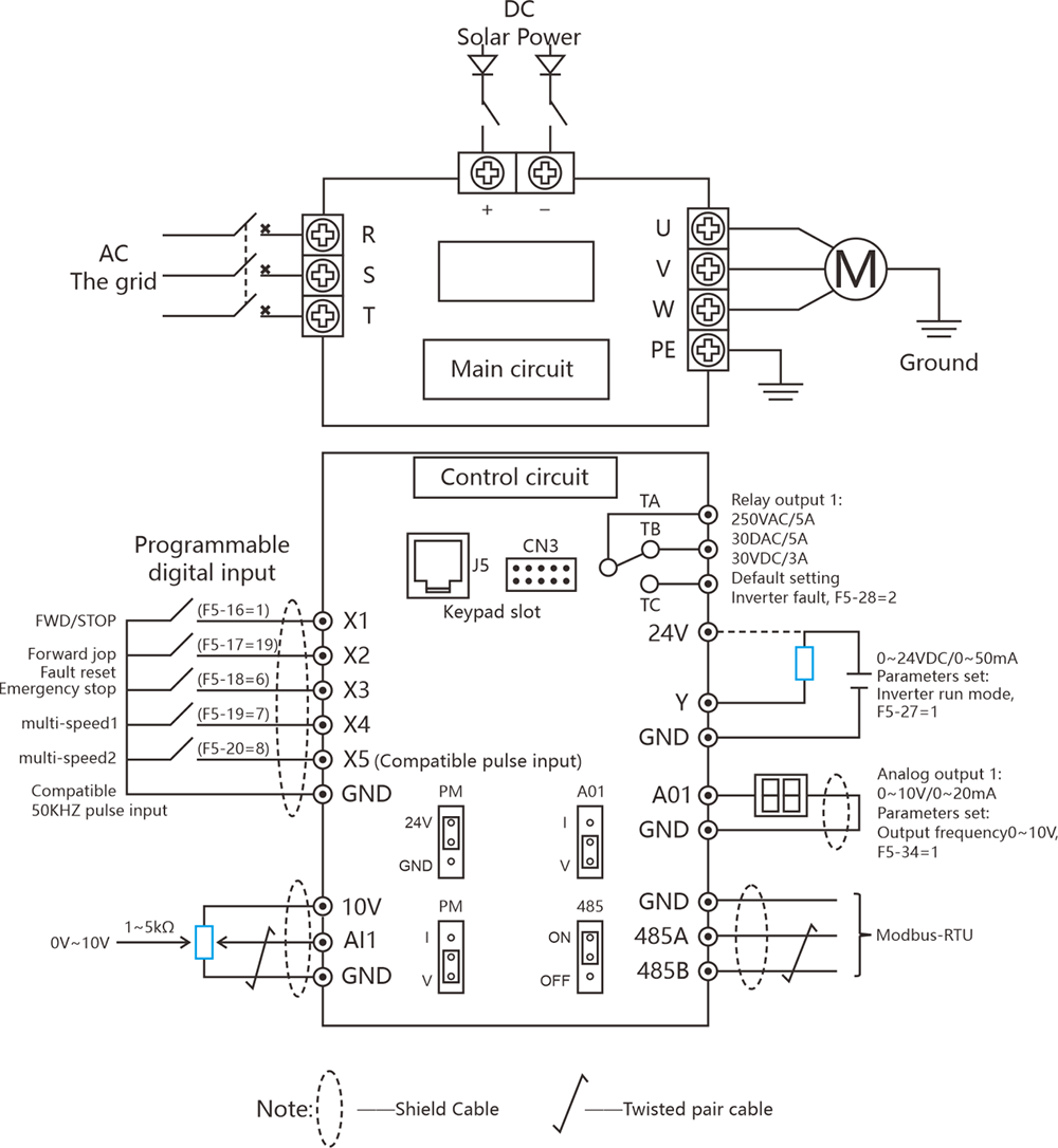
배선도
RVE35 0.75kw-7.5kw 제품의 경우 다음 사항에 유의하세요.
1. 제품에는 X6 및 X7 논리 입력 단자가 포함되어 있지 않습니다.
2. 이 제품에는 아날로그 입력 1개, 아날로그 출력 1개, 릴레이 출력 1개만 포함되어 있습니다









































